[RE]: 중단열 콘크리트에 관한 일위대가 구할 수 있을까요? > 상담게시판 | 아성정보㈜
본문 바로가기

상담게시판

[RE]: 중단열 콘크리트에 관한 일위대가 구할 수 있을까요?

페이지 정보

작성자관리자

본문

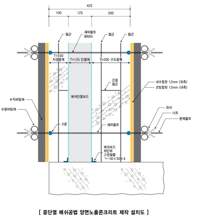
중단열콘크리트라 함은 벽체에 콘크리트를 타설하기 첨부한 파일과 같이 단열재를 콘크리트와 콘크리트 간의 중간에 설치한 후

타설하는 것으로 일위대가는 중단열콘크리트 설계도면에 따라 작성하여 사용해야 합니다.

콘크리트 타설은 기존 콘크리트 타설 일위대가를 사용하면 되며' 다만' 거푸집 제작 설치 과정에 단열두께에 따른 시공비를 계상하면 되겠습니다.

 

감사합니다.

----------------------------------
원본글
----------------------------------
중단열 콘크리트에 관한 일위대가 구할 수 있을까요?
----------------------------------